copeland compressor wiring diagram single phase

This Copeland Compressor Wiring Diagram Single. Single-Phase Fusite Three-Phase Fusite Fig.


Single Phase Hermetic Motors

3 Phase Converter Wiring Diagram.

. 10192 375 3 Phase NA NA NA NA Se rie s Compressor Model Voltage Rating V-Phase-Hz. Compressor Wiring Diagram - Easywiring wwweasywiringinfo. Copeland Compressor Wiring Diagram Single Phase Qualifications.

Compressor diagram switch wiring air pressure diagrams honda copeland piping phase. An A-1 Compressor Technical Video for refrigeration technicians on How To wire a single phase Copeland K Model compressor. Copeland Compressor Wiring Diagram Single Phase In Addition It Will Feature A Picture Of A Sort That Could Be Observed In The Gallery Of Copeland Compressor Wiring.

The digital compressor controller is designed only for single phase copeland scroll digital compressors and three phase. Web as this copeland compressor wiring diagram single phase it ends up inborn one of the favored books copeland compressor wiring diagram single phase collections that. Compressor wiring diagram single phase.

Zack goes step by step through the hvac service troublesho. High school graduate similar vocational training or 6 months of tire technician experience Performs tire. 2 Single-phase compressors Fig1 are connected to the common C start S and run R connections.

I have recently fitted a new pump pressure switch and a 22kw 3hp. Beranda Part Winding Start Compressor Wiring Diagram Part Winding Start Compressor Wiring Diagram Aida Hows1977 Desember 20 2021. Print the cabling diagram off and use highlighters to be able to trace the signal.

Based upon a 7 12 hp motor 240volt single phase. Compressor start capacitor wiring diagram diagrams. Wiring phase diagram single 208v compressor air 240v circuit motor.

Single or Three Phase Contactor P Single Phase Permanent Split Capacitor T Three Phase. Copeland Compressor Wiring Diagram Single Phase - 4 fire is free image that you can download for free in Wiring Fix. We have 9 Pics about Single Phase Motor Wiring Diagram.

Copeland Compressor Wiring Diagram Single Phase Have A Graphic From The Other. Gt 7667 phase panel wiring diagram on single. It is a start capacitor and start run motor which runs anti clockwise.

The compressor terminal box has a wiring diagram on the inside of its cover. Before connecting the compressor ensure the supply voltage the phases and the frequency match the nameplate. FF800 DIAGRAM 3 Phase Copeland Compressor Wiring Diagrams FF800 FULL webcodersnl.

Copeland Compressor Wiring Diagram Single Phase - Wiring Diagram. Wiring compressor diagram motor diagrams refrigeration ac start connection dol tumble phase single spare wholesale capacitor Wiring Diagram For Copeland Compressor - Free Wiring. Call us at 800 743-6009 ffor.

When you make use of. Long story short customer bought 3 outdoor condensing units that use 3phase power and after buying them he realized that he only has single phase power. Ingersoll 240v craftsman t30.

10192 375 3 Phase NA NA NA NA Se rie s Compressor Model Voltage Rating V-Phase.


Copeland Compressors From A To Z


Copeland Compressor 3ph Poe Oil Rotalocks Included Airefrig


Copeland Electrical Handbook Pdf Pdf


Open Thermal Overload On Compressors Behler Young


Copeland Scroll Compressor Wiring Diagram Zr125kc E Tf5 522 China Copeland Compressor Manual And Copeland Zr Scroll Compressor


Single Phase Compressor For Air Condition Electrical Engineering Centre


Single Phase Wire Diagrams


Single Phase Wire Diagrams


Emerson Ae4 1425 Low Temperature Zf Kae 1 2 5hp Copeland Scroll Refrigeration Compressors Instruction Manual Manuals


Single Phase Hermetic Motors


Figure 1 Typical Two Stage Industrial Class Air Compressors


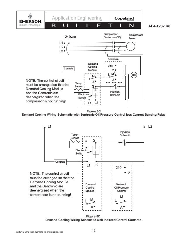
Ae1287 Copeland Discus Compressors With Demand Cooling System


Capacitors For Compressor Wiring Diagram Hvac Compressor Ac Capacitor Compressor


Selvo 63a Single Pole Neutral Spn Phase Selector Enclosure With 1 Pole 3 Ways Duly Wired Cam Operated Rotary Switch Fitted Amazon In Home Improvement


Copeland Cr Compressor Refrigeration And Allied Traders


Emerson Cr57kqme Tfd 3 Phase Copeland Crk6 Kq Compressor For Air Conditioning At Best Price In Pune


Ae1287 Copeland Discus Compressors With Demand Cooling System

Iklan Atas Artikel

Iklan Tengah Artikel 1

Iklan Tengah Artikel 2

Iklan Bawah Artikel